Hotel spart jährlich Tausende Liter Heizöl
Abwärmenutzung mit der eXergiemaschine: Hotel Landgasthof Kemmeriboden Bad konnte Energiebilanz erheblich verbessern
- Abwärme der Kälteanlagen liefert die Energie zur Warmwasserbereitung
- Nacherhitzen mit der „eXergiemaschine“ macht die Abwärmenutzung effizienter
- Generalsanierung nach einer Überflutung für die Technik-Modernisierung genutzt
Nach über einem Jahr Betriebserfahrung weiß die Hotelier-Familie Invernizzi: Ihre neue Gebäudetechnik arbeitet wie erwartet. Sowohl die Energiekosten als auch die CO2-Emissionen von ihrem Hotel Landgasthof Kemmeriboden Bad (Schangnau, Schweiz) sind deutlich gesunken. Das alles war aber Nebensache, als die Familie am 4. Juli 2023 verkündete „Mir si zrügg!“. Zurück nach einem Jahr des Wiederaufbaus und glücklich, dass sie ihr Hotel mit frischem Schwung und neuer Einrichtung wiedereröffnen konnten. Denn genau ein Jahr zuvor hatte ein Unwetter den nahen Fluss Emme über die Ufer treten lassen und die gewaltigen Schlamm- und Wassermassen haben fast alles zerstört, was sich in den Kellern und den Erdgeschossen der Hotelgebäude befand.
Sanierung nach der Überflutung
„Unser Betrieb war auf der Stelle handlungsunfähig“, erinnert sich Reto Invernizzi, der das Hotel zusammen mit seiner Frau führt. „Neben der Bausubstanz und Inneneinrichtung war die Technik – unsere Küche, Heizung, Lüftung, Wasser- und Abwasserrohre, Elektrizität – durch die Überflutung zerstört.“ Das Ehepaar beschloss, die defekte Technik nicht 1:1 zu ersetzen, sondern in bessere, klimafreundlichere Lösungen zu investieren. Heute wissen sie, dass sie ihr Geld gut investiert haben. Der Betrieb kommt jetzt mit weniger Energie aus und die Küche erlaubt ein effizienteres Arbeiten als früher.
Am 4. Juli 2022 ließ ein Unwetter den Fluss Emme anschwellen; Wassermassen, Holz und Schlamm fluteten die Keller und schoben sich zerstörend durch die Erdgeschossräume und die Küche. Exakt ein Jahr später eröffnete das sanierte und modernisierte Hotel wieder. © Hotel Landgasthof Kemmeriboden Bad
Die Heiz-, Klima- und Kältetechnik des Hotels hat durch die Sanierung an Effizienz gewonnen. © Hotel Landgasthof Kemmeriboden Bad
Neue Kälte- und Wärmetechnik
Eine wichtige Investition war der begehbare Schockfroster. Er gestattet es dem Team, größere Chargen vorzubereiten und personelle Kapazitäten besser zu nutzen. Zur neuen Kältetechnik gehören auch Kühlräume, die Kühl-Schubfächer der Küche etc. – in Summe sind im Hotel bzw. Restaurant 15 Kühl- und Kälteanlagen installiert. Sie produzieren neben den erwünschten niedrigen Temperaturen zum Einfrieren oder Lagern von Lebensmitteln auch bis zu 28 kW an Abwärme bei etwa 35 °C. Diese Wärme wird aber nicht an die Umwelt abgegeben, sondern zur Warmwasserbereitung genutzt.
Aus Abwärme wird Nutzwärme
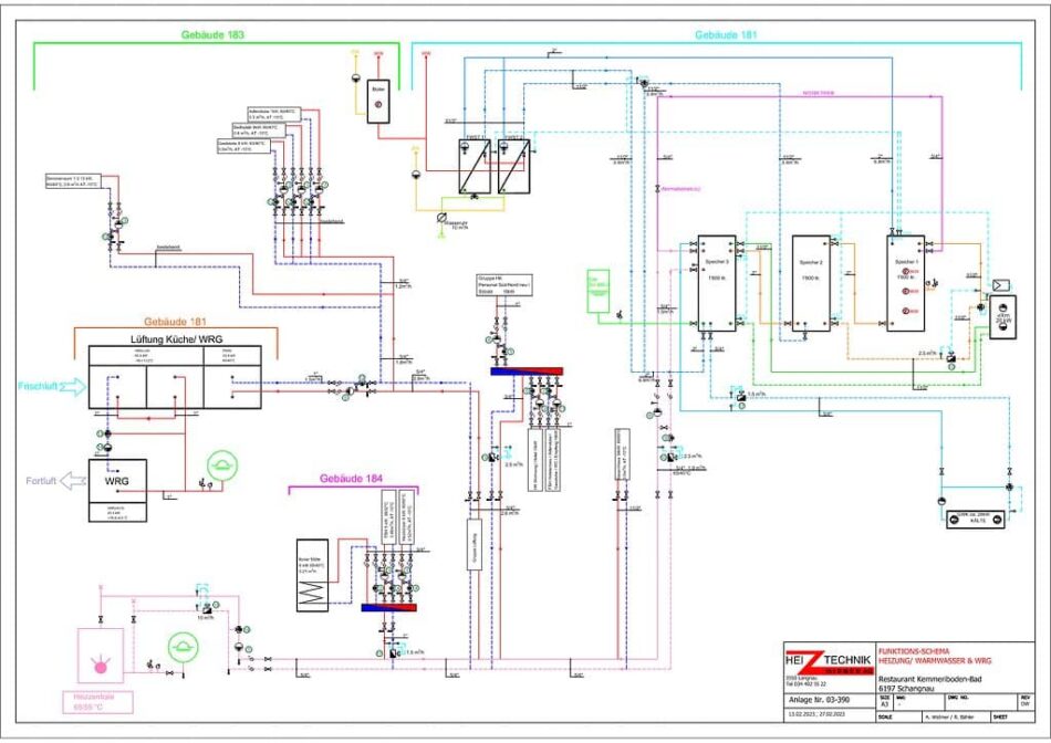
„Etwa 5500 Liter Warmwasser benötigt der Betrieb täglich“, berichtet Oskar Widmer, Inhaber der Heiztechnik Widmer AG (Langnau, Schweiz). „Früher wurde Warmwasser ausschließlich mit einem Öl-Brenner bereitet. Heute wird die Abwärme der Kälteanlagen mit etwa 35 Grad in ein System von drei Heizspeichern eingekoppelt und von einer sogenannten eXergiemaschine auf die Zieltemperatur von 65 Grad Celsius gebracht.“ Die eXergiemaschine (eXm) kennt Widmer durch die BMS-Energietechnik (Wilderswil, Schweiz), von der er seit vielen Jahren Komponenten bezieht, zum Beispiel auch die neuen Warmwassererzeuger für das Hotel.
Temperatur-Booster „eXergiemaschine“
Die eXergiemaschine ist eine ganz besondere Wasser-Wasser-Wärmepumpe, die von BMS- Energietechnik und ihrem deutschen Partner varmeco (Kaufbeuren) entwickelt wurde. Sie entnimmt einem Heizspeicher Wasser auf einem mittleren Temperaturniveau, erhitzt einen Teil davon und speichert ihn im heißen Bereich des Speichersystems wieder ein. Der andere Teil des Wassers wird gekühlt und im kühlsten Speicherbereich eingebracht. So stellt die eXm im Hotel (hier eine 20-kW-Ausführung eXm-pro)
einen heißen Vorlauf für die zwei Warmwassermodule bereit und sichert zugleich eine niedrige Rücklauftemperatur zu den Kälteanlagen. Im Gegensatz zur normalen Heizungswärmepumpe lassen sich bei der eXm die Heiz- und Kühlwirkung bzw. die Zieltemperaturen vorgeben, da sie für ihren Hoch- und Niedertemperaturkreis über zwei getrennt regelbare Pumpen verfügt.
Kostensenkung auf der Wärme- und Kälteseite
Zur Wirkung der Abwärmenutzung sagt Widmer: „Durch den ganzjährig kühlen Rücklauf arbeiten die Kälteanlagen effizienter als bei einem Einsatz dachaufgestellter Verflüssiger. Das reduziert den Strombedarf. Die größere Energieeinsparung ergibt sich hier aber auf der Wärmeseite, denn die eXergiemaschine stellt die Temperaturen für die Warmwasserbereitung klimafreundlicher und kostengünstiger bereit als ein Öl-Brenner.“
Hotel braucht deutlich weniger Heizöl
Wie viel günstiger die Lösung ist, hat Mark Iten, Geschäftsleiter der Enova AG in Münsingen (Schweiz) überschlagen. Der technische Planer berät die Hoteliers schon seit vielen Jahren. „Die Abwärme der Kälteanlagen wird nun konsequent genutzt, sodass nur ein Nacherhitzen erforderlich ist. Das allein spart eine Menge Primärenergie. Und den Temperaturhub von 35 auf 65 Grad Celsius erledigt die eXergiemaschine mit einem COP von etwa fünf, also viel effektiver als ein Brenner.“ Für das Nacherhitzen von 64000 kWh/a Wärme hat die eXergiemaschine daher nur etwa 13000 kWh Elektrizität verbraucht. Der Strom entsteht im hoteleigenen Turbinenkraftwerk oder wird als Ökostrom zugekauft, was einem Preis von ca. 4.000 CHF entspricht. Für den Nacherhitzungsvorgang wären sonst 6400 Liter Heizöl für über 6.000 CHF erforderlich, aber dank Abwärmenutzung waren 2024 nur ca. 700 Liter Heizöl zur Warmwasserbereitung nötig; sie dienten dazu, Bedarfsspitzen zu decken. Insgesamt benötigt das Hotel sogar 25000 Liter Heizöl jährlich weniger, weil neben der Warmwassertechnik auch die Heizungstechnik bei der Sanierung optimiert wurde. Parallel zu der erzielten Öl- und Kosteneinsparung sinkt der CO2-Ausstoß um etwa 67,5 Tonnen jährlich, was den umwelt- und klimabewussten Hotelbesitzern wichtig ist.
Widmer berichtet: „Die Abwärmenutzung im Hotel Kemmeriboden passt perfekt. Die Abwärme der Kälteanlagen kann ganzjährig gut genutzt werden und muss nicht an die Umgebungsluft abgeführt werden. Und falls die Abwärmemenge doch einmal den Bedarf übersteigt, können wir mit Quellwasser einen Notkühler betreiben.“
Bis 50 % Energieeinsparung durch Abwärmenutzung
Planer Iten hat die eXm im Zuge der Hotelsanierung erstmals kennengelernt und ist begeistert.
„Das Einsparpotenzial ist enorm“, sagt er. „Bei manchen Hotels bzw. Gastronomiebetrieben lässt sich 40 bis 50 Prozent Primärenergie sparen.“ Voraussetzung sei natürlich, dass die Abnahme durch Wärmeverbraucher und das Abwärme-Aufkommen das Jahr über in ähnlicher Größenordnung wären. Das sei aber bei vielen Großküchen gegeben, meint der Planer, alleine wegen der Gewerbespülmaschinen. „Ich bin froh, die eXergiemaschine durch Oskar Widmer kennengelernt zu haben. Eine ähnlich energieeffiziente Technik zum Nacherhitzen von Niedertemperaturwärme ist mir in dieser Leistungsklasse nicht bekannt.“










